产品型号
| 型号 | 通道数 | 电压 | 电流 | 功率 | 精度 | 分辨率 | 通讯接口 | 尺寸 | |
|---|---|---|---|---|---|---|---|---|---|
| N2600-200-01 | 1 | 200V | 1A | 20W | 电压0.02%+100μV/电流0.02%+600pA | 1μV/10pA | LAN/RS232 | 2U | |
| N2600-020-01 | 1 | 20V | 1A | 20W | 电压0.02%+100μV/电流0.02%+600pA | 1μV/10pA | LAN/RS232 | 2U | |
| N2610-100-03 | 1 | 100V | 3A | 100W | 电压0.02%+600μV/电流0.033%+2nA | 1μV/100pA | LAN/RS232 | 2U | |
| N2600-1000-01 | 1 | 1000V | 1A | 20W | 电压0.02%+600μV/电流0.035%+600pA | 1μV/10pA | LAN/RS232 | 2U |
*以上规格如有更新,恕不另行通
产品特点
备注【1】:仅N2610-100-03型号支持
功能与优势
集5种仪器功能于一体(IV源、IVR测量)
N2600系列源表采用标准19英寸2U机箱,在紧凑的单台仪器内集成源和测量电路,这相对于传统单独电源和测量仪器构成的测试系统,N2600系列数字源表极大地缩短了测试系统的开发、建立和维护的时间,同时节省测试架或测试台的宝贵“空间”,降低购买测试系统的整体成本。
N2600系列源表的精密耦合特点相对于分散的仪器具有许多优点,在提供输出精准的电压源、电流源的同时,它可测量电流、电压和电阻值,并具有极短的测试反应时间。极快的测试反应速度,可保护被测设备在偶尔过载、热失控等情况下不被损坏。
四象限工作,可作为源或负载
四象限:电源象限是指以电源输出电压为X轴、输出电流为Y轴形成的象限图。第一、三象限即电压电流同向,源表对其它设备供电,称为源模式;第二、四象限即电压电流反向,其它设备对源表放电,源表被动吸收流入的电流,且可为电流提供返回 路径,称为阱模式。

I-V特性分析
通常对被测物进行I-V特性分析需要使用高灵敏电流表、电压表、电压源和电流源,如果用这些测试仪器分别进行编程、同步、连接、测量和分析,过程既复杂又耗时,还需占用大量测试台空间。
N2600系列可极大地简化测试流程,缩小机架空间。且各型号数字源表均提供4象限工作,工作在第1和第3象限时,作为电源向被测物输出功率;工作在第2和第4象限时,作为阱(负载)吸收能量。在源或阱模式下都能测量电压、电流和电阻,是材料研究、电子器件、半导体等被测物进行I-V特性分析的理想选择。

功率包络图
与传统矩阵电源不同,N2600系列源表在同等功率下,客户可根据实际需求,选择大电压小电流或小电压大电流输出。选择不同的量程,N2600系列源表的源/阱极限也有区别。
N2600-020-01源/阱极限:±21V@±1.05A
N2600-200-01源/阱极限:±21V@±1.05A ±210V@±105mA
N2610-100-03源/阱极限:±21V@±3.15A ±105V@±1.05A ±105V@±10.5A(仅脉冲模式)

各种扫描模式
N2600系列集成线性阶梯扫描、对数阶梯扫描、自定义扫描和源内存扫描四种模式。扫描模式是通过设定函数关系及保护点后自动运行,测试效率得到大幅提升。扫描模式可设置为单次或多次循环工作,非常适用于I/V、I/R、V/L和V/R特性分析。
-线性阶梯扫描:从起始电压到终止电压使用相等的线性步长的扫描
-对数阶梯扫描:从起始电压到终止电压使用单位自变量的变化率为对数的扫描
-自定义扫描:此扫描类型允许用户自定义
-源内存扫描:在源内存中保存100个配置,执行扫描时任意调用

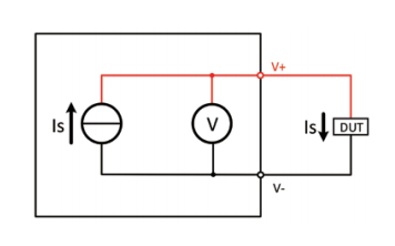
2/4/6线制电阻测量
高精度数字万用表支持多种方式测量电阻,不同的测量方法会影响测量精度。N2600系列数字源表集成高精度数字万用表测量功能,不仅支持高精度电压、电流测量,还支持2/4/6线制电阻测量,适用于多种测试场景。
2线制电阻测量
2线制电阻测量适用于测试引线的电阻远远小于被测电阻的测试场景,不考虑测试引线带来的压降损耗。

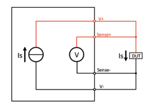
4线制电阻测量
4线制电阻测量适用于测量低阻值电阻,N2600系列数字源表具备自动校正功能,能够消除引线影响。

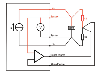
6线制电阻测量
当测量的电阻与其他电阻并联时,其他电阻会分流,影响测试。N2600系列数字源表使用6线制电阻测量可实现电阻器在PCB板原位上进行测量。

大尺寸LCD高清显示屏
N2600系列数字源表配有4.3英寸LCD高清显示屏,相比传统VFD显示板,LCD高清液晶显示屏具有耗电量低、体积小、辐射低等优点,结合专业化界面设计,操作简单,测量内容显示更加直观、全面。

远程控制,便于系统集成
NGI为客户免费提供标准PC控制软件,可满足多种应用场景测试需求。N2600系列数字源表配备LAN、RS232通信接口,支持SCPI指令,在配备NE101通讯转换器的情况下还可支持GPIB系统。N2600系列数字源表大量兼容传统SMU(例如2400)命令,便于系统集成,减少代码转换工作。
应用领域
产品尺寸

